人生倒计时
- 今日已经过去小时
- 这周已经过去天
- 本月已经过去天
- 今年已经过去个月
我们来接着上一章继续分享机顶盒维修知识和电路图详解,很感谢一些粉丝提出的一些电路图上的不足之处,我都会加以修正。
这些电路图得来不易,可能有的朋友会说这些机顶盒都是市面上停产的机器,没什么价值。但是实际上喜欢烧星的朋友手里都会有几个这样的老古董,而且很多维修工平时也会遇到这些机顶盒,所以看到大家的留言就知道很多朋友需要这些维修经验,所以决定为大家继续更新,同时也希望大家加入亚卫烧星圈子,你将会学到更多的知识和经验。
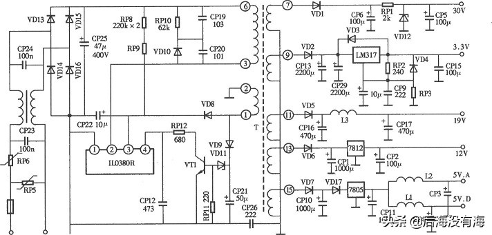
(此处已添加圈子卡片,请到今日头条客户端查看)高斯贝尔GSR-2001E型
喜欢烧星的朋友肯定都听说过高斯贝尔的鼎鼎大名吧,这家成立于2001的公司,在卫星电视接收设备方面有着很大的影响力。今天我们来说说这款高斯贝尔GSR-2001E型卫星工程接收机,这款接收机酒店用的很多,虽然做工优良,但是时间长了还是会出现很多小问题。
比如说:开机出现图像定格、开机无图像、开机后黑屏等现象,这些故障其实基本上都是主板电容和电阻的问题,导致关键部件供电不足,下面我就把电路图分享给大家。
高斯贝尔GSR-2001E型
金泰克KT-D8320型
提起金泰克可能我们想到最多的就是金泰克的电脑配件了,尤其是内存条和固态硬盘,但是其实金泰克还生产卫星机顶盒的主板。
这款金泰克KT-D8320型主板,搭载这款主板的机器在市场上有一定的存量,这款主板电路简洁功耗比较低,但是故障也很多。
比如:开机后无图无声、工作一会就停止重启后还是一样,故障原因基本上都是保险管熔断、电容击穿、电阻焊脚开焊等问题,其实大家只要用好万用表故障不难找出。
金泰克KT-D8320型
锦电JBS-627型
这款机顶盒有个最大的问题就是开机后断电烧毁,这基本上就是开关电源的内部保险丝损坏,还有的时候开机后机顶盒不断发出“滋滋”的电流声,这其实就是开关电源内部元件损坏,下面把电路图分享给大家。
锦电JBS-627型
九洲DVS-398E型
九洲DVS-398E型数字接收机,主要特点就是功耗小转换率高,安全可靠等特点,但是同样会出现一些小问题,比如:开机后无显示、开机后发出“吱吱”的声音、开机后无图无声、开机后不一会马赛克严重等等问题,也是难倒了很多的维修师傅。
故障原因:保险管FU熔断、IC2损坏、ec32电容损坏、LNB供电故障等等,大家维修时参照下面的电路图。
九洲DVS-398E型
明天我会继续更新其他电路图,最后还是建议大家加入亚卫烧星这个圈子,因为有很多资料我只会在圈子里面给大家更新,如果你没有加入圈子,就不会看多更多的更新内容。如果大家有问题也可以在圈子内提出,我都会尽量解答。
(此处已添加圈子卡片,请到今日头条客户端查看)
